Описание Hansgrohe 15573670+01500180
Комплект состоит из:
Переключатель Hansgrohe ShowerSelect Comfort E Matt Black 15573670
- 3 функции
- одновременное использование нескольких потоков
- удобное включение/выключение розеток с помощью клавиш Select
- клапан пуска/остановки для управления функциями
- расход воды в верхнем отводе: 26 л/мин
- расход слева и справа: 26 л/мин
- максимальный расход при давлении 3 бар: 32 л/мин
- мин. рабочее давление: 1 бар
- максимальное рабочее давление: 10 бар
- возможность регулировки угла наклона +/- 3°
- простой монтаж благодаря предварительно смонтированному функциональному блоку
- плоская накладка для увеличения пространства в душевой кабине
- клапан поставляется с кнопками Rain small, Rain large, hand sower, Waterfall, bath tub
- материал кнопки: металл
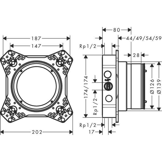
Монтажный бокс Hansgrohe Ibox Universal 2 01500180
- подходит для полностью новые наружные части для душа, ванны и термостата для скрытого монтажа
- материал: обесцинкованная латунь, Пена EPP, тепло- и звукоизоляция
- соединительная резьба Rp ½
- осесимметричный монтаж
- звукопоглощающая установка
- гибкое монтажное кольцо для различных монтажных ситуаций
- монтажное кольцо регулируется с шагом 5 мм
- монтажное кольцо подходит для установки спереди и сзади
- не нужно укорачивать благодаря скользящей гильзе
- Вспомогательное средство для спиртового уровня
- встроенный спиртовой уровень для правильного выравнивания по горизонтали и вертикали
- герметизирующая пленка постоянно закреплена
- потребляемая мощность: калиброванная труба M16
- минимальная монтажная глубина: 80 мм
- максимальная монтажная глубина: 108 мм
Отзывы о Hansgrohe 15573670+01500180 от реальных покупателей
Отзывы не найдены
Характеристики
Комплект состоит из 2 товаров:
Переключатель на 3 потребителя Hansgrohe ShowerSelect Comfort E Matt Black 15573670 (черный матовый)
Страница товара- ShowerSelect Comfort
- IF Design
- черный
- металл
- переключатель
- без смешивания
- кнопочный
- Hansgrohe Select
