Описание Grohe Skate Cosmopolitan, Rapid SL 3884000G_38732KF0
Благодаря технологии GROHE QuickFix®, вы установите инсталляционную систему в мгновение ока, будь это монтаж перед стеной или в гипсокартонную перегородку.
Вам не понадобится никаких инструментов для подключения водоснабжения к инсталляции и ревизионного окна бачка. Монтажные уголки (3855800M) для установки инсталляции к стене, звукоизоляционная прокладка (37131000) и накладна панель смыва Skate Cosmopolitan (38732KF0) в комплекте.
Стальной каркас рамы инсталляции без верхней планки GROHE Rapid SL сертифицирован при нагрузке свыше 400 кг. Инсталляционная система для подвесного унитаза скрытого монтажа обеспечивает оптимальный уровень гигиены и простоту уборки ванной комнаты.
Созданные с применением технологии GROHE Whisper® для повышенного уровня шумоизоляции системы инсталляции серии Rapid SL предоставляют оптимальный уровень защищенности от шума.
Благодаря технологии двойного смыва GROHE WaterSaving®, водопотребление инсталляционных систем Rapid SL может быть снижено на 50%. Доступно для заказа много вариантов смывных панелей, чтобы соответствовать стилю вашей ванной комнаты.
- Назначение изделия: для унитаза
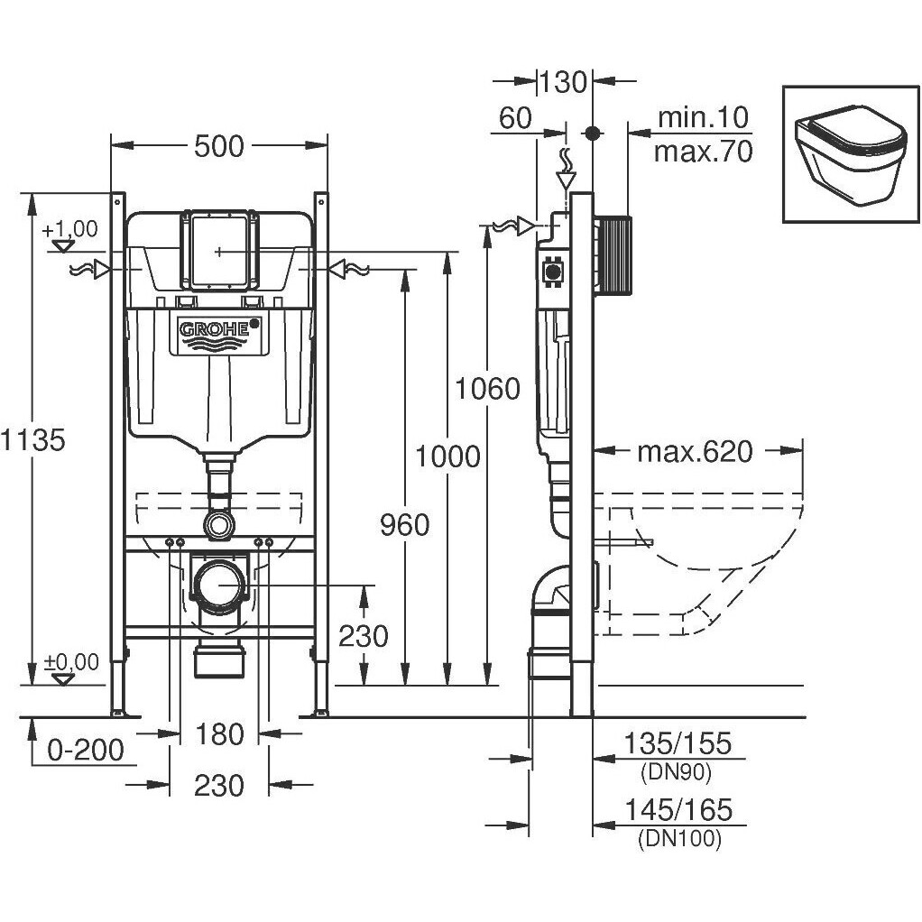
- Монтажная высота: 1,13 м
- Монтажная ширина: 50 см
- Совместим с любым подвесным унитазом: Да
- Панель смыва в комплекте: Да
- Объем смывного бачка, л: 9 л
- Рекомендованное минимальное давление (бар): 0,5 бар
- Максимальное давление, бар: 5 бар
- Дизайн: Rapid SL
- Регулировка продолжительности смыва: Да
- Звукоизоляцонная панель: Есть
- Изоляция от конденсационной влаги: Да
Характеристики и особенности:
- для настенного монтажа или обшитых стен
- стальная рама с порошковым покрытием, самонесущая
- для сухой облицовки
- с фиксированными соединениями
- быстрая регулировка, блокировка
- крепежный материал
- 2 крепежных болта для унитаза
- крепежное устройство для керамики
- расстояние крепежных болтов 180/230 мм
- выходной изгиб D 90 мм
- регулировка глубины
- редуктор D 90 на 110 мм
- входной и выходной соединительный набор
- смывной бак GD 2, 6 - 9 л
- регулировка на заводе 6 л и 3 л
- пневматический выпускной клапан, предлагающий 3 режима
- работа: двойная промывка или старт_стоп или однократная промывка
- водоснабжение слева либо справа либо сзади или сверху
- низкий уровень шума (группа I соответствует немецкой спецификации шума)
- изолированный от конденсации
- полдюймовые подводы водоснабжения, включая интегрированные угловой клапан и гибкий шланг
Отзывы о Grohe Skate Cosmopolitan, Rapid SL 3884000G_38732KF0 от реальных покупателей
Отзывы не найдены
Характеристики
Комплект состоит из 2 товаров:
Инсталляция для унитаза 3 в 1 Grohe Rapid Sl 3884000G (с прокладкой и креплением к стене)
Страница товара- Rapid SL
- сталь
- боковой
- верхний
- сзади
- GROHE EasyConnect®
- GROHE Safety®
- GROHE Water Saving®
- GROHE SpareFlush®
- GROHE ToolFree®
- GROHE VarioPort®
- GROHE Whisper®
- бачок
- звукоизоляционная прокладка
- инсталляция
- крепеж к стене
- патрубки
