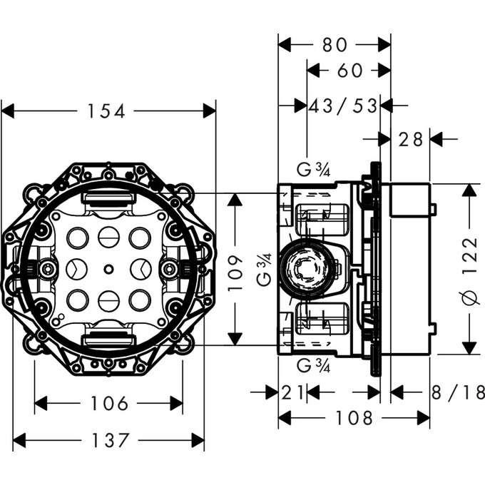
Описание Hansgrohe Ibox 01850180
Особенности:
- подходит для все наружные части для душа, ванны и термостата для скрытого монтажа
- соединительная резьба Rp ¾
- осесимметричный монтаж
- звукопоглощающая установка
- минимальная монтажная глубина: 80 мм
- максимальная монтажная глубина: 108 мм
Отзывы о Hansgrohe Ibox 01850180 от реальных покупателей
Отзывы не найдены
Характеристики
- Ibox
- латунь
- G ¾"
