Описание Grohe 38722001+37131000
Rapid SL 4в1 комплект для подвесного унитаза (бачок, крепеж, кнопка хром - двойн. слив 38505SHO, цвет белый) с прокладкой.
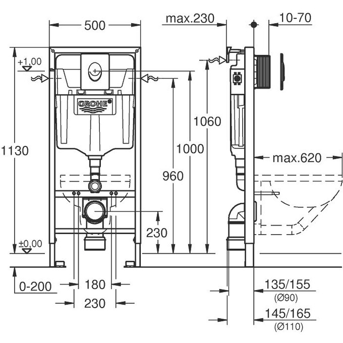
Инсталляция для подвесного унитаза Grohe Rapid SL (38528001):
- для подвесного унитаза
- смывной бачок GD 2 с маленьким ревизионным окошком
- монтажная высота 1,13 м
- для монтажа перед стеной или стеной перегородкой
- самонесущая стальная рама с порошковым напылением подготовлена для облицовки
- фиксированные подключения для одиночного или рядного монтажа
- быстрая регулировка по высоте
- крепежный материал: 2 болта-держателя для унитаза, крепление для керамики
- расстояние между болтами 180/230 мм
- PP-смывная дуга DN 80
- регулировка глубины монтажа
- переходник DN 80/100
- впускной и смывной гарнитуры
- смывной бачок GD 2, 6 - 9 л
- заводская настройка 6 л и 3 л
- пневматический смывной клапан с тремя режимами слива: 2-х объёмный, старт/стоп, или непрерывный
- подключение воды слева, справа и сзади
- арматурная группа I в соответствии с DIN с изоляцией от конденсационной влаги
- подключение воды DN 15
- монтаж ревизионного окна, не требующий инструментов, для вертикального и горизонтального монтажа
- c принадлежностями для монтажа перед стеной
Skate Air панель смыва, альпийский белый, вертикальный монтаж (38505SH0)
Крепление к стене (3855800M)
Звукоизоляционная прокладка (37131000)
Отзывы о Grohe 38722001+37131000 от реальных покупателей
Отзывы не найдены
Характеристики
Комплект состоит из 2 товаров:
Инсталляция для унитаза 3 в 1 Grohe Rapid SL 38722001 (38528001+38505SH0+3855800M, c клавишей и креплением к стене)
Страница товара- Rapid SL
- Skate Air
- белый
- металл
- боковой
- сзади
- GROHE EasyConnect®
- GROHE Safety®
- GROHE Water Saving®
- GROHE QuickFix®
- GROHE SpareFlush®
- GROHE ToolFree®
- GROHE VarioPort®
- GROHE Whisper®
- бачок
- инсталляция
- клавиша
- крепеж к стене
- патрубки
